网友马先生在社交平台发帖称,他在杭州入住一处月租6万余元的出租房期间,出现长时间咳嗽、胸闷、过敏等身体异常情况,确诊慢性咽炎、结膜炎干眼症、扁桃体肿大等病症。他邀请了检测机构做甲醛检测,发现房子的甲醛含量超标近三倍,但房东不回应他退还全部押金的要求。

△马先生展示自己过敏的自拍照,他怀疑是租房内甲醛超标引起。

△月租金6万余元的租房合同。
据极目新闻7月17日消息,房东程先生表示,马先生入住的房子交房已有5年,之前有其他房客入住过。马先生入住后搬进了不少家具,不排除这些家具产生甲醛的可能。如果马先生对退租有异议,可以通过法律途径解决。马先生将他及家人的信息公布在网络上,他也将采取措施维护权益。
7月17日至18日,潇湘晨报记者分别联系了事件双方当事人马先生和程先生,获取的最新消息:马先生7月18日早晨正在搬离该出租房,但双方的纠纷仍在解决过程中。且马先生认为程先生在媒体面前撒谎。

△马先生怀疑出租屋甲醛超标导致自己眼部疾病。
月租60676元,搬入3个多月咳嗽、过敏不断
7月17日下午,马先生告诉潇湘晨报记者,他所租赁的房子位于杭州市萧山区盈峰街道区域内,每月租金60676元,按季度支付,押金为一个月的租金。房屋租赁期为从2025年2月1日至2026年1月31日。租房时双方协商,给予租客赠送时长,马先生在1月底就入住了。
马先生是一名明星造型师,租下这套房子,主要用于做美妆和造型,以及拍摄直播,所以才会租这么贵的房子。“每次家里会来很多人,然后这个家里面的场景很适合拍摄,很漂亮。”
租这套房子的时候,是以马先生经纪公司为主体和房东程先生签的合同,后来由于自己身体原因,马先生和经纪公司解约,马先生用自己名下的公司和房东程先生续签了合同。
今年5月初,天气转暖后,他突然疯狂咳嗽,出现嗓子疼、结膜炎和过敏的问题,在医生朋友提醒下,他意识到这可能是甲醛超标引发的身体问题。
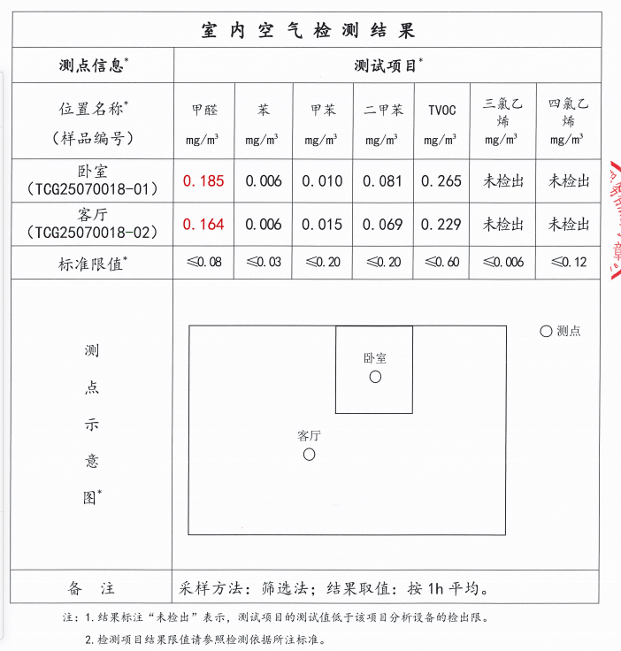
7月2日,马先生找了专业甲醛CMA检测机构,检测人员在房内检测了两个点,无个人家具区域,全部是房子本身里面设施区域,结果显示甲醛超过国家标准近三倍。为了调理身体和治疗,他已经花费了4万余元,马先生告诉记者,大部分是中药调理,西医治疗的费用只有几千元。他向房东要求退租并退还押金,但对方表示不会退押金。


△第三方机构做的甲醛检测。
一方发律师函,另一方称个人信息被曝光将起诉
马先生向潇湘晨报记者展示了他发给房东程先生的律师函,律师函显示:其名下公司与原承租方签订了《租赁合同变更协议》,约定自2025年8月1日起,上述房屋租赁合同的承租方变更为马先生名下公司,公司与房东也重新签订了房屋租赁合同。
马先生作为公司艺人,在入住期间长时间出现身体不适的情况,经检测屋内甲醛浓度超标。根据《民法典》规定,公司要求退租及退还全部押金,并赔偿公司及马先生的室内空气检测费、医疗费、误工费等全部损失。
7月18日上午,潇湘晨报记者联系到了涉事房屋的房东程先生。程先生表示,已经接受极目新闻采访,不愿意再对外重复表达自己的意见。
据极目新闻7月17日消息,程先生回应该事件,称自己的这套房子在2021年年初交房,距今已近五年,此前有多名租户住过。房子是开发商统一豪装,不是自己装修的,开发商曾表示,每套房子的装修金额在400万元左右,他自行配的这套家具花费了约80万元。装修全部使用的是环保材料,家具也有环保证明,房子和家具都经得起检测。
程先生认为,马先生入住后搬进了不少家具,不排除这些家具产生甲醛的可能。在马先生对甲醛产生问题后,他曾告诉过对方,如果有异议,可以让公司通过司法途径解决。届时可以从法院指定名单中选择一家公司再进行甲醛检测,前提是不允许有租客的家具及设备。

△甲醛检测现场。
程先生称,事发后,马先生将他的照片、身份等个人信息公布在网上,当地派出所曾联系过对方,但在这之后对方仍将他的信息发上网,其中包括他未成年的两个孩子的照片,这让他无法忍受。对方还发布了关于他的虚假信息。为此,他也将通过诉讼起诉对方侵权。
7月18日上午,潇湘晨报记者联系到马先生,针对房东程先生的说法,马先生给予了回应:“我没有曝光他家人头像,因为他的微信头像是他女儿的照片,他一直拒绝回应,并且告诉我可以选择自己的维权方式。”马先生称,如果自己不这样做,房东根本不会回应。
关于家具问题,马先生认为房东完全是在说谎,“这个房子连被褥4件套都是房东配备的,从别的样板间搬过来的产品,我没有任何个人其他的家具、家电,仅有甲醛清洁剂,空气净化器等是为了清理甲醛而带进来的。
关于房子之前已经住过很多人,2020年就交房了,房东说是开发商的问题。马先生认为,这个也是在说谎。“他说住了几拨人,是不是可以让房东提供这个房子的所有历史信息,什么时候装修好的?住了几拨人?我目前住的房子家具是不是我第一次使用?
据马先生掌握的信息,在他入住的时候,房中介明确告诉他,这些所有的家具都是房东从另外一个地方拉过来的。“现在他是自相矛盾,在说假话。”
7月18日早晨,记者联系马先生时,他正在搬离出租房,下一步他计划邀请权威机构,在物业的见证下,再对房屋进行甲醛检测,维护自己的合法权益。
内容举报
